Барахлит стартер
Приветствую всех спасиоводов. Начал барахлить стартер.По всем параметрам показывает что проскакивает бендикс.Но возникла диллема.В мануале пишут что:На автомобили Toyota Corolla Spasio устанавливаются следующие типы стартеров:0,8 кВт(без редуктора) и 0,8;1,0 кВт(с планетарным редуктором).Есть вопрос,но ответа нет.На какие двигатели идут данные стартера.У меня двигун 1ZZ-FE.Кузов 122.Может кто подскажет какой стартер с какой обгонной муфтой у меня стоит.Проще было бы снять и разобрать.Но машина нужна каждый день и думаю покупка данной запчасти потребует длительного изыскания.
Текст сообщения был изменен пользователем 25 окт 2015 в 22:49:53
В этой теме 22 ответа
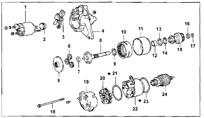
ну вот прям такой как на картинке :)
Так это и есть без редуктора.Буду значит брать такой.
Ну как без редуктора-то? :))))
вот же он на картинке, обвел его красным.
Так это и есть планетарка? А где там шестерни? И может ли из за неё бендикс проскакивать? А то я может не то ищу!
Текст сообщения был изменен пользователем 29 окт 2015 в 11:07:41
Шестерни спрятаны внутри :) ты представляешь как вообще выглядит планетарный редуктор?
Вот детали с 5 по 10 и составляют редуктор планетарный, который я обвел.
Из-за редуктора бендикс барахлить не может.
Ты кстати симптомы так и не описал, почему на бендикс грешишь? Треск при пуске двигателя, как будто шестерня зацепиться за маховик не может?
Я у себя трижды разбирал стартер. Сначала просто все смазал и проинспектировал, обнаружил при этом сильно стершуюся щетку. Второй раз разобрал и поставил новую щетку. И в третий раз уже бендикс поменял.
В итоге 30 минут стало уходить на снятие, разборку/сбору и обратную установку стартера :)
Симптомы такие: на холодную заводится как надо. На вторую заводку чуть прокрутит потом тупо жужжит.После первого прокрута идёт тупое скольжение шестерни по воздуху.Вот и весь диагноз.Прокрут шестерни есть,но вхолостую. Может ты посоветуешь что то другое?
Текст сообщения был изменен пользователем 30 окт 2015 в 14:50:17
ну у меня проскальзывал и на холодную и на горячую.
Попробуй для начала просто обслужить: снять, разобрать и смазать все хорошенько.
Тож изначально разобрал, почистил и смазал, но не помогло(((( На след. день поехал и купил.
Вот и я думаю сразу поменять.На екзисте от 400р. Вообще ни о чём! А так разобрать и собрать-мартышкин труд.
Скорее всего проблема с пятаками, окислились и плохой контакт. Т.к. корпус не разборный, то частенько про их забывают. А так вручную развальцевать корпус и дирануть пятаки, также потом завальцевать.

